整合营销服务商

电脑端+手机端+微信端=数据同步管理

免费咨询热线:

简述四种基本触发器及其功能

在数字电路设计中,触发器是一种基本且重要的存储元件,用于存储二进制信息(即0和1)。根据功能和应用场景的不同,触发器可以分为多种类型,其中四种基本触发器包括RS触发器、JK触发器、D触发器和T触发器。以下是对这四种基本触发器及其功能的详细简述。

一、RS触发器(RS Flip-Flop)

1. 基本概念

RS触发器是最基本的一种触发器,由两个交叉反馈的门电路(通常是与非门或或非门)构成,具有两个输入端R(Reset,复位)和S(Set,设置),以及两个互补的输出端Q和Q'。RS触发器的状态转移取决于R和S的输入组合。

2. 功能特点

3. 应用场景

RS触发器常用于二进制计数器和寄存器等数字电路中的状态控制。通过改变R和S的输入组合,可以灵活地控制触发器的输出状态,实现数据的存储和传输。

二、JK触发器(JK Flip-Flop)

1. 基本概念

rs触发器逻辑式_触发器逻辑状态表_rs触发器的逻辑功能表

JK触发器是一种带有输入反馈的RS触发器,具有两个输入端J和K,以及一个时钟信号输入端CP。JK触发器的状态转移不仅取决于J和K的输入组合,还受到时钟信号CP的控制。

2. 功能特点

3. 应用场景

JK触发器由于其功能完备性,常被用于构建序列检测器、分频器等数字逻辑电路。通过改变J和K的输入组合以及控制时钟信号CP的变化,可以实现复杂的逻辑功能和时序控制。

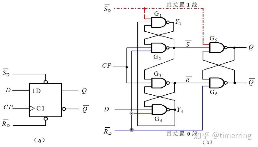
三、D触发器(D Flip-Flop)

1. 基本概念

D触发器是一种边沿触发的数据触发器,具有一个数据输入端D和一个时钟信号输入端CP。D触发器的状态转移仅由D端的输入数据和时钟信号CP的边沿(通常是上升沿)共同决定。

2. 功能特点

3. 应用场景

rs触发器逻辑式_触发器逻辑状态表_rs触发器的逻辑功能表

D触发器广泛用于数据的串行传输和并行数据的存储。在微处理器、存储器和其他数字系统中,D触发器作为基本的数据存储单元发挥着重要作用。

四、T触发器(T Flip-Flop)

1. 基本概念

T触发器是一种特殊的JK触发器,其输入端J和K通常连接在一起并作为T输入端。T触发器在时钟信号CP的作用下实现输出状态的翻转或保持。

2. 功能特点

3. 应用场景

T触发器在数字电路设计中有着广泛的应用,尤其是在需要实现简单的二进制计数器、时钟分频器或作为更复杂逻辑电路的基本构建块时。通过控制T端的输入信号和时钟信号CP,可以灵活地控制T触发器的输出状态,实现所需的逻辑功能和时序控制。

四种基本触发器的比较应用场景 : 性能特点 : 总结

四种基本触发器——RS触发器、JK触发器、D触发器和T触发器——在数字电路设计中扮演着重要角色。它们各具特色,功能各异,适用于不同的应用场景。通过合理选择和使用这些触发器,可以构建出功能强大、性能稳定的数字逻辑电路系统。在实际应用中,还需要根据具体需求和环境条件进行综合考虑和选择,以实现最优的设计效果和性能表现。