整合营销服务商

电脑端+手机端+微信端=数据同步管理

免费咨询热线:

数字逻辑期末总复习

数字逻辑:

第一部分 逻辑代数

自己手写一个重点思维导图,字比较丑,凑合看一下吧

在这里插入图片描述

一.进制转换

原码 反码 补码 8421BCD 码 格雷码

可以通过书 P15 页的第一章习题进行练习巩固

二.门 (书 P19 逻辑门:国际常用符号 曾用符号 国家标准符号) 与运算或运算非运算与非逻辑(先求与,再求非)或非逻辑(先求或,再求非)与或非逻辑(先求与,再求或,再求非)异或逻辑

(1)奇数个变量的异或=同或 偶数个变量的异或=同或非同或逻辑 三.基本运算定律

在这里插入图片描述

四.反函数 反演规则 对偶函数 对偶规则 反演规则(求反函数)

·变 + + 变· 0 变 1 1 变 0 原变量变为反变量 反变量变为原变量对偶规则(求对偶函数) 用于证明函数是否相等

·变 + + 变· 0 变 1 1 变 0 ·变 + +变· 同样适用于异或 变同或 五.最小项 最大项

最小项之和

标准的与或表达式:每一个与项包含了所有输入变量

(原变量记为 1,反变量记为 0)

表示:n 变量的最小项的个数:0~ 2^n-1

性质:

在这里插入图片描述

最大项之积

标准的或与表达式:每一个或项包含了所有输入变量

(原变量记为 0,反变量记为 1,与最小项相反)

表示: n 变量的最大项的个数:0~ 2^n-1

性质:

最大项与最小项之间的关系: M mi i 或 i M i m  (下标相同的最大项和最小项之间存在互补关系)

六.逻辑函数表达式 将函数展开成“积之和”,“最简与或表达式”的形式将函数展开成“和之积”,“最简或与表达式”的形式

方法:公式法卡诺图(顺序:00 01 11 10)

注意:通过卡诺图化简时:

1)先圈只有一种情况的“1”,并且要圈的面积最大(1,2,4,8,16)【没有 6】

2)画一个圈就拉出一个线写出与式(或式)

3)画完后检查,是否存在一个圈,里面所有的元素都被其他圈所圈过了,如果是,则要去掉(严格按照第一步骤不会出现这一步)

4)不能通过最简或与表达式转换成最简与或表达式

5)在卡诺图中“1”的位置很多且很复杂的时候,可以考虑圈“0”,但是要注意圈“0”的时候,使用的是负逻辑

6)卡诺图中,无关项的位置打“×”或者“d”,在画圈的时候,站在“1”或者“0”的角度上画圈,将无关项也考虑进去

7)如果是通过真值表化简,将真值表输出为 1 的那几行所对应的填入卡诺图进行化简 第二部分组合逻辑电路的分析与设计

简单概述

组合逻辑电路的基本特点:①结构上无反馈,②功能上无记忆,③电路在任何时刻的输出都由该时刻的输入信号完全确定,与过去的输入和过去的状态无关。

一、组合逻辑电路的分析

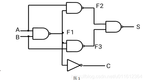
举栗:分析下图电路的功能

在这里插入图片描述

分析步骤:

(1)由逻辑电路图逐级写出逻辑表达式

(2)由逻辑表达式化简为最简与或表达式

(3)画真值表

在这里插入图片描述

(4)分析电路的功能

已知 A,B 为输入变量,S,C 为输出变量,由真值表的前三行可知,S 是在做 A,B

的加法,C 始终为 0,看到第四行的时候,A,B 的输入均为 1,如果按照之前的猜

测,S 是对 A,B 做加法,此时 S 用二进制表示应该是 10,但 S 的值为 0,此时 C

为 1,不难想到 C 是用来表示进位位的,因此该电路的功能为一个二进制的加法

器,A 为被加数,B 为加数,S 为两者之和,而 C 为进位位,但因该加法器未考

虑低位向高位的进位,故该加法器是一个半加器。

在这里插入图片描述

按照上述步骤:

(1)由逻辑电路图逐级写出逻辑表达式

(2)将逻辑表达式化简为最简与或表达式

(3)画真值表

在这里插入图片描述

(4)分析电路功能

观察真值表可知,当 M=1 时,Y=A;当 M=0 时,Y=B;因此,该电路是一个二选一

的电路。

二、组合逻辑电路的设计

举栗:1、设计一个全加器

步骤:

(1)分析事件的因果关系,确定输入变量和输出变量

全加器有三个输入变量,定义为 A,B,Cin,有两个输出变量,定义为 S 和 Cout。

(2)定义逻辑状态的含义,并对变量赋值

逻辑功能最全的触发器_rs触发器的逻辑功能表_触发器逻辑门

当 A=1 时,表示此时输入的 A 的值为 1,当 A=0 时,表示此时输入的 A 的值为 0,

B,Cin 同理;

当 Cout=1 时,表示 A,B,Cin 之和产生了进位位,Cout=0 时,表示 A,B,Cin 之和

未产生进位位;

当 S=1 时,表示 A,B,Cin 中其中任意一个变量取值为 1,另外两个变量取值为 0,;

或者 A,B,Cin 均为 1;当 S=0 时,表示 A,B,Cin 中其中任意两个变量取值为 1,

另一个变量取值为 0。

(3)根据给定的因果关系列出真值表

在这里插入图片描述

(4)由真值表写出对应的逻辑函数表达式

(5)由逻辑函数表达式画出逻辑电路图

在这里插入图片描述

三、编码器和译码器

1、编码器:将十进制转化为二进制

输入值的有效性:①原变量输入=正逻辑输入=高电频输入=某输入引脚=1

②反变量输入=负逻辑输入=低电频输入=某输入引脚=0

还有部分优先编码器介绍,详情 P86。

2、译码器(是编码器的逆过程,是将二进制转化为十进制)

以 38 译码器为栗:38 译码器有三个使能端 1 S , 2 S , 3 S (一高两低),三个地址

选 择 端 A0 , A1 , A2 ( 分 别 接 外 部 的 三 个 输 入 变 量 ) , 八 个 输 出 端

Zi (i=0,1,2······7),其中,每一个 Zi  mi (mi 是由 A0A1A2 三变量构成),

如当Z0 =0 有效时,Z0  A0 A1 A2 , A0A1A2 =000。

如何用 38 译码器来设计一个全加器呢?

在这里插入图片描述

四、数据选择器

功能:从多输入中选择一个数据作为输出。

常见的数据选择器有 2 选 1,4 选 1,8 选 1,16 选 1,以 4 选 1 为例,A1A0 为地址

选择端, 是输入端,Z 是输出端,这里的选择的意思是用 A1A0 去选择

作为输出。

在这里插入图片描述

重点:如何用数据选择器去设计一个具有完善功能的电路呢?

举个栗子:如何用 8 选 1 数据选择器设计一个全加器?

分析:全加器有三个输入变量,两个输出变量;可以将三个输入变量 ABCin 与 8

选 1 数据选择器的三个数据输入端 A0A1A2 对应连接,所以很容易解决输入变量;

But。。。怎么表示全加器的输出变量 S 和 Cout 呢,因为 8 选 1 数据选择器只有

一个输出端,所以,此时,一个 8 选 1 还不够,需要用到两个 8 选 1 的数据选择

器。

全加器: S=m1+ m2+ m4+ m7

Cout = m3 + m5 + m6 + m7

步骤:

(1)考虑让数据选择器的三个地址输入端与全加器的三输入变量一一对应

(2)用展开式与全加器的两个式子相对应。两个 8 选 1 的 A2A1A0 必须与 ABC 一一对应.

3)两个把 8 选 1 的两个输出分别是 S 和C out

在这里插入图片描述

如何用 4 选 1 数据选择器设计全加器?

分析:4 选 1 的数据选择器跟 8 选 1 数据选择器相似,都会用到两个数据选择器,

但是,它更难一些,难就难在,4 选 1 的数据选择器只有两个地址输入端,而全

加器有三个输入变量,那么,怎么用4选1的数据选择器去表示第三个输入变量?

全加器: S=m1+ m2+ m4+ m7

Cout = m3 + m5 + m6 + m7

当计算 S 时,将 AB=00,01,10,11 时分别代入上面的式子,可得下表。

在这里插入图片描述

当计算 Cout 时,将 AB=00,01,10,11 时分别代入上面的式子,可得下表。

在这里插入图片描述

由上述可知,故 Cin 与 D1 D2连接, D0 接地, D3 接 Vcc 或+5V。

由此,可得电路图为:

在这里插入图片描述

第三部分 时序电路分析与设计 第五章:触发器

前言:

触发器本身是由多个逻辑门构成的,与组合逻辑电路不同的是,触发器内部存在输出对输入

信号的反馈,因而触发器具有记忆输入信息的功能。

5.1.1 触发器的电路结构和特点

书上 115 页

一些补充:

触发器是双稳态电路

双稳态电路:

在电子电路中,其双稳态电路的特点是:在没有外来触发信号的作用下,电路始终处于原来

的稳定状态。在外加输入触发信号作用下,双稳态电路从一个稳定状态翻转到另一个稳定状

态。由于它具有两个稳定状态,故称为双稳态电路。

我的理解:

rs触发器的逻辑功能表_触发器逻辑门_逻辑功能最全的触发器

它有两个稳定的状态:0 状态(Q=0,Q 非=1)和 1 状态(Q=1,Q 非=0)

在不同的输入情况下,它可以被置成 0 状态或者 1 状态

当输入信号消失后,所置成的状态能够保持触发器的定时(时钟)端 CP

这个 CP 端的作用就是触发我们的触发器。为什么有些触发器需要 CP 端呢?

解释:

书上 119 页 5.2.3

没有 CP 端的触发器,输入信号直接加到输出门的输入端

CP 端有个小圆圈,代表 CP 端要为下降沿时,触发器才工作,输入信号才被接受

CP 端没有辣个小圆圈,代表 CP 端要为上升沿时,触发器才工作,输入信号才被接受

钟控 RS 触发器必须要 CP=1 时,触发器才工作。(书上 120 页)

5.1.2 触发器的逻辑功能和分类

根据电路结构分类:

基本 RS 触发器,钟控 RS 触发器,同步触发器,主从触发器,边沿触发器

根据电路逻辑功能分类:

RS 触发器,D 触发器,JK 触发器,T 触发器,T’触发器

基本触发器和钟控触发器的定义:

书上 116 上面一点

5.2 基本 RS 触发器

电路图:书上 116

输入:R 非,S 非

输出:Q,Q 非

特性方程和约束条件非常重要!

为什么有这个约束条件?

书上 116 页下面(4)

RS 触发器总结:

3. 无论是哪种 RS,特性方程都一样

4. 与非门的约束条件和或非门的在数学上等价,但是在电路中不等价

钟控 RS 的约束条件在基本 RS 上加了个 CP=1 的约束

主从 RS 的约束条件在基本 RS 上加了个 CP 为下降沿的约束

5. R 端习惯上叫做复位端,Reset.该端有效时,会把状态 1 置为状态 0

6. S 端习惯上叫做复位端,Set.该端有效时,会把状态 0 置为状态 1

5.3 D 触发器

重点掌握特性方程

5.4JK 触发器

重点掌握特性方程

注:当 J=1,K=1 时,Q(n+1)=Qn 非,这就变成了 T’触发器了。

5.5 其他触发器

T 触发器,T’触发器 把特性方程记到就差不多了

5.7 触发器的相互转换

书上 129 页 重要

5.8 触发器的应用

分频器:书上 132 页

书上的例题是二分频,倘若想要 4 分频,就得要 2 个触发器,以此类推。

在这里插入图片描述

还有书上用的是边沿 D 触发器,但是我们也可以用 JK 触发器来实现,只要满足 J=1,K=1.

第六章

6.1 时序电路的分析步骤

书上 141 页

7. 电路图,观察是同步时序电路还是异步时序电路,观察触发器类型,JK 还是 D 等。

8. 写出时钟方程,驱动方程(激励方程),输出方程和状态方程

9. 列真值表

10. 画状态转换图

11. 判断电路的逻辑功能

有效循环,自启动的一些概念 书上 143 中间

注意点:

12. 同步时序电路的时钟方程是形如 CP=CP0=CP1=CP2. 2. 列真值表时 CP 要列出来

13. 逻辑功能有时候可能一眼看不出来,可以试试交换一下 Q1,Q2,Q3 的顺序。

在这里插入图片描述

在这里插入图片描述

在这里插入图片描述

在这里插入图片描述

6.2 时序电路的设计步骤

1.建立原始状态图

2.状态化简

3.状态分配及状态编码

4.选择触发器类型

5.列出真值表

6.讨论自启动问题

7.画出电路图