整合营销服务商

电脑端+手机端+微信端=数据同步管理

免费咨询热线:

浅谈消防系统消火栓启泵的几种方式

消火栓系统的水泵控制方式和消火栓按钮,消防系统运行是否正常,是其建筑物预防火灾发生的关键,而消火栓系统是建筑物灭火不可缺少的重要消防设施。无论是临时高压、还是稳高压系统,其消火栓灭火用水量都得靠消防水泵来提供所需的用水量,那么,怎么启泵尤其重要。

根据我们多年的消防系统维修保养经验,我们将消防泵的控制方式分为四种:

一,消火栓按钮启动消防泵;

二,消控室远程启动消防泵;

三,泵房压差装置启动消防泵;

四,控制柜手动和停止消防泵。

下面我们分别介绍上述几种控制方式。

一、消火栓按钮启动消防泵

消火栓按钮启动消防泵组分为直接启动消防泵和间接启动消防泵,原先许多工程因规范要求不明确,部分采用消火栓按钮间接启动消防泵的控制方式;消火栓启泵按钮从接线方式分两种,为消火栓按钮并联接线启动消防泵和按钮串联接线启东消防泵。

1.消火栓按钮并联启泵方式是最常见的,是将所有的消火栓按钮的常开触点并联连接。并联消火栓按钮启泵的优点:就像并联的灯具一样,其中一个损坏不影响其它按钮的启泵功能。这种接线方式的缺点是水泵控制柜必须放置于自动挡,不能监视所有的消火栓启泵按钮的工作状态,以及线路通断状况,整个系统种的消火栓按钮或线路损坏(开路或接错),需要每个按钮试验后,才能发现其系统的好坏;尤其是日后使用中,需要测试的工作量非常大,存在故障难以被发现的可能,是消火栓系统中潜在的隐患。

消火栓按钮并联接线方式可分为:二线制、三线制、四线制、六线制的接线方式。下面就不同接线方式分别作具体介绍。

(1)二线制并联接线方式启动水泵就是只有启泵功能或采取两总线报警通过消防主机自动联动水泵的控制模块来启动水泵。

消火栓启泵

这种消火栓按钮连线启泵缺点:2线制无法判断水泵是否启动,2总线制联动启动水泵,主机、水泵控制柜都要放置自动档,如果主机损坏就不能联动,并且主机、控制柜都要放置自动挡。

(2)3线制启泵方式,启泵时有回灯信号,但只是动作的按钮指示灯亮。

消火栓启泵

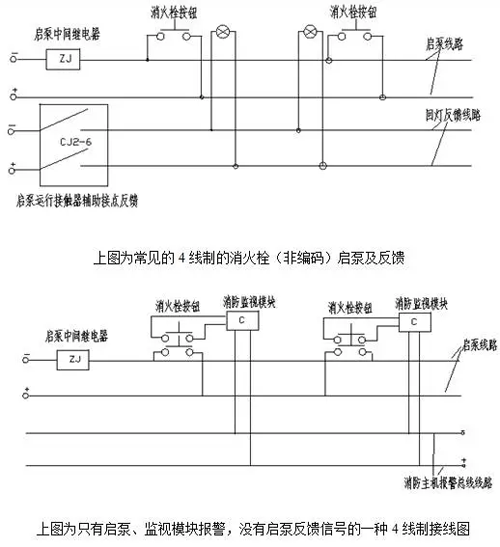
(3)4线制按钮启泵,常见的有3种方式即:启泵回灯各2根线,启泵时所用的消火栓按钮回灯都会点亮。另外一种就是启同时主机通过其监泵的视模块反馈报警,没有回灯信号(不符合现在法规要求),还有一种是消防系统带地址码的消火栓按钮,启泵、总线制,启泵同时主机报警,水泵运行反馈信号到主机,主机通过程序命令编码消火栓回答灯点亮。

消火栓启泵

消火栓启泵

(4)6线制按钮启泵,启泵、回灯、报警各2根线,启泵时所有的消火栓按钮回灯都会点亮,启泵的按钮会向主机发出报警信号,是并联启泵系统中最完善的一种启泵方式。

消火栓启泵

2.消火栓按钮串联启泵方式,就是所有的消火栓按钮都是串联,常见的有4线制和6线制。这种启泵的特点:控制继电器失电,通过常闭接点接通控制回路,启动水泵。优点:可以有效的监视线路和设备,优于并联系统。缺点:水泵控制柜必须放置于自动挡,整个系统的线路损坏(短路),不进行测试时无法发现其系统的好坏,这种启泵总线路发生短路故障水泵正常无法启动;或继电器损害就会启动水泵。

(1)4线制按钮串联启泵常见的方式:启泵回灯各2根线,启泵时所用的消火栓按钮回灯都会点亮,没有报警信号。

消火栓启泵

(2)6线制按钮串联启泵常见的方式:启泵、回灯、报警各2根线,启泵时所用的消火栓按钮回灯都会点亮,有报警信号。

消火栓启泵

二、消防控制中心远程启泵方式

消防控制中心远程启泵方式分两种:火灾报警控制器多线盘启动消防泵和联动控制柜直接强制启泵。

1.火灾报警控制器多线盘启动消防泵方式,其工作原理是消防主机多线按钮启动多线模块,模块动作启动水泵。优点:线路、设备故障可以监视。缺点:水泵控制柜必须放置于自动挡,消防主机损坏将无法启动水泵。

消火栓启泵

上图为主机多线启泵方式图

2.消防控制中心强制启泵装置,其工作原理是只要水泵控制柜工作正常,强启装置都能启动水泵。缺点:线路故障无法监视。

三、消火栓泵房压差启泵的方式

消火栓启泵

压差启泵方式,适用于稳高压系统,其工作原理是在消防、喷淋系统止回阀后的主管网上增加一个电接点压力表,正常系统有稳压系统稳压,当管网的压力下降很快(稳压系统的压力无法补偿),到达电接点设置的压力值时消防、喷淋的主泵就会启泵。缺点:管网渗漏严重或破裂时就会启动主泵,压力表损害则不会启泵。

四、消火栓泵房手动启泵的方式

在水泵房的喷淋系统泵控制柜上,直接手动启动水泵。这种启泵方法比较缓慢,且值班人员需要及时发现火情,在灭火的时空上延误太多。是一种没有办法而为之的最后办法。

结合我们工程的现状和有关国家消防法规要求,其消防主机多线启泵、消控中心强启、报警阀组压力开关启泵、压差启泵是必须具备的,条件许可建议增加压差启泵装置或消防变频控制系统。也确保系统的运行可靠性。